Автоматический инкубатор
- Автор(ы): Тюрнин Глеб, Симонов Владислав
- Научный руководитель: Шиверская И.Н., преподаватель физики
- Учебное заведение: МАОУ СОШ "Мастерград", г. Пермь
Цели: изготовить самодельный экономически выгодный инкубатор.
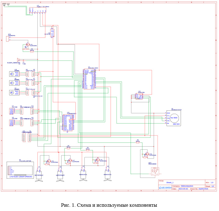
Код, дизайн, электросхема – всё это наши разработки. Такого инкубатора не существует больше нигде. Компоненты мы заказали в интернете и купили в строительном магазине всё это обошлась нам в 8762.87 рублей без учёта доставки и уничтоженных нами в процессе создания и разработки компонентов. Если считать всё затраченные средства получается примерно 20000 рублей.
После конечной стадии создания прототипа мы получили рабочий инкубатор который сам может выводить птенцов, бесценный опыт в различных сферах, полезные знакомства и много удовольствия. Мы планируем продолжать наш проект и уже готовим вторую модель Автоматического инкубатора.